Zeit für Kabel.
In den gedanklichen Vorbereitungen zum Ausbau wurden bereits die geplanten Anschlüsse festgelegt. In groben Stichworten nochmal wiederholt:
die Einbauten von Herd, Stufe, Kühlschrank, Beleuchtung, 12V-Steckdose(n), Heizung, Ventilator-Luke, Wasserpumpe(n) und Ablassventil, Kontrolleuchten (Anschluss 230V-Kabel, Ladezustand der
Batterien, Treppenstufe (ein- oder ausgefahren) sind die 12V-Leitungen entsprechend den Einbauangaben nötig. Auch nicht zu vergessen: evtl. geplante AHK, Kompressor für die Luftfederung, prima
Klima, Sat-Antennen auf dem Dach ect. pp. oder den Radioanschluss über das Bordnetz.
Dazu kommt die Einspeisung und Verteilung von 230V.
Die Beleuchtung mit Schaltern und Steckdosen sind ein Kapitel für sich, da hier u. U. viele Kabel nötig sind. Allerdings ist das Anschlussschema immer gleich: die Versorgungszuleitung geht von
der Batterie aus, die Rückführung geht über den kürzesten Weg zur Masse an die Karosse oder gesammelt zurück an die Batterie(n).
Der Anschluss von Kühlschrank, Heizung, elekt. Stufe oder Ventilatorhaube oder Luftfederung sind da nahezu nebensächlich. Selbst wenn man jetzt noch nicht die Stufe oder eine
Außenbeleuchtung haben will, die Kabel sollte man schon mal bereitlegen. Man muss sie ja noch nicht verdrahten.
Auch der Kanal für die Kabel der Schalt- und Infopannele dürfen nicht vergessen werden. (Reichen die Kabellängen vom Wunschinstallationsplatz zum zu betreuenden Gerät, passen die
Anschlüsse/Stecker durch alle Öffnungen durch die die Leitungen gehen sollen?)
D+ ohne Sorgen
Ein besonderes Kabel macht zu Beginn ein paar Gedanken nötig, das „D+“ Kabel, ausgehend von der Lichtmaschine. Es liefert die Information, dass der Motor läuft und die Lichtmaschine Strom
produziert und wird benötigt zu Ansteuerung eines „Boosters“, im EBL (Umschaltung des Ladestroms) oder auch für weitere Relais-Schaltungen Z. B. beim Radio. Beim „Boxer“ ist es nicht so
simpel an den Anschluss zu kommen. Die ganze Mimik um den E6-Motor mit der „intelligenten“ Lichtmaschine im Zusammenhang mit der Motorsteuerung verkomplizieren hier das Geschehen.
(Beschreibung
von Lichtmaschinen bei E6-Motor siehe Kapitel "Planungen") Ich habe mich
daher dazu entschieden einen D+-Simulator* einzusetzen. Das funktioniert nach aktuellem Stand auch so, wie es
soll.

Wie kommt der Strom ins Fahrzeug?
Drei Wege führen zum Saft.
- Solarstrom,
(siehe Kapitel "Solarstrom")
- 12V aus der Lichtmaschine
- 230V aus der Landstromversorgung
Fangen wir mal mit der 230V-Einspeisung an.
Dafür gibt es Vorschriften. Im "Reisemobil-Praxisbuch" sind davon 12 Stück aufgeführt. Ob man sich diese in Gänze zu Gemüte führen möchte...? Keine dieser
Vorschriften habe ich online zur Ansicht gefunden.Man müsste sie also alle erst einmal kaufen.
Manches davon (z. B. Stromversorgung und techn. Anlagen auf Camp- und Liegeplätze betreffend) sind nicht meine Baustelle oder die VDE-Bestimmungen zu Akkumulatoren- und Batterie-Anlagen schießen imo über das Ziel hinaus, ich baue keine Akkus und plane auch nicht eine auf Akkustrom basierende unterbrechungsfrei Notstromlösung für die Kaffeemaschine.
Preiswerter und imo verständlicher sind die Ausführungen von Harry Thestorff unter [diesem Link]. Sie bieten außerdem in vielen Dingen Gedankenanstöße.
Dafür, lieber Harry, unbekannter weise meinen herzlichen Dank.
Mit etwas technischem Verständnis lassen sich aber schon viele wesentliche Untiefen vermeiden.
Aber das ist meine pers. Meinung. Auf der 1000%tig sicheren Seite ist das Studium der entsprechenden Vorschriften. Wenn man sie denn danach auch so umsetzt/umsetzen kann.
Auch in einem 12V Fahrzeug können 24V-Verbraucher betrieben werfen. Da ich aber darauf verzichtet habe, gehe ich in meinen Beschreibungen nicht näher darauf ein.
Grundsätzliches zur Beachtung:
- 230V-Kabel müssen in einen Kabelkanal bzw. in ein Leerrohr verlegt werden.
- 12V und 230V-Leitungen dürfen niemals in einen Kanal bzw. ein Rohr.
- Schalter, Stecker, Fassungen o. Ä. müssen sich für 12V und 230V unterscheiden und dürfen nicht verwechselt werden können.
- Nur flexible Kabel mit entsprechenden Querschnitten benutzen.
- Aderendhülsen sind Vorschrift, verzinnen o. ä. ist nicht erlaubt.
- Kabel gegen Beschädigungen sichern.
- Außenkabel (Verlängerungen) müssen einen Gummimantel haben, Kunststoffkabel sind nicht erlaubt.
- Ein Potentialausgleich 4mm2 ist einzurichten.
- neben dem FI-Schalter ist ene Sicherung die Phase und Null trennt Pflicht.
- Im Gaskasten ist keinerlei elektr. Schalter bzw- Verbraucher erlaubt, es sei denn, sie sind in einer explosionsgeschützten Version vorhanden.

Und schon leuchtet ein, warum die Stecker und Steckdosen an Wohnmobilen und Caravans, und deren Gegenstücke an den Anschlussstellen der Campingplätze in diesem kräftigen blau erstrahlen: dies ist
die Farbe für den 230V-Bereich. Rote Stecker werden manche evtl. aus dem Bereich der Elektromaschinen kennen (z. B. Holzspalter oder auch Kreissägen mit 400V Drehstromanschluss). Mit den anderen
Spannungen wird man im Privaten wohl eher nichts zu tun haben.
Hat man den Platz für die Eingangsdose* gefunden und den entsprechenden Ausschnitt im Blech geschafft, wird
die Eingangsdose eingesetzt. Da beim Ein- und Ausstecken des Steckers doch „Kräfte“ wirken, sollten nicht nur Schrauben ins Blech sonder auch in einen innen liegenden Montage-Rahmen geführt
werden.
Beim Anschluss der Kabel hat der Gesetzgeber eine kleine Schikane eingebaut, den Potentional-Ausgleich. Dabei wird der 230V-Masse-Anschluss (grün-gelb) der Eingangsdose mit einem Kabel am Metall
des Fahrzeugs verbunden. Liegen die Anschlüsse innerhalb des Fahrzeugs ist das kein Problem, hat man eine Anschlussdose mit außenliegenden Kontakten ist ein zusätzliches Kabel mit einzuziehen. An
sich auch kein Problem, man muss das nur einkalkulieren und entsprechende Abdichtungen vorsehen.
Welche Leitungen also?
Bei 230 V = 2,5² zwischen Eingangs-EEC-Dose und FI-Schalter und Sicherung, zu den einzelnen Verbrauchern reicht eine 1,5² Leitung:
Außen:
230V Gummileitung H07RN-F 3 x 2,5mm²
Innen nach Sicherung:
230V Gummileitung H07RN-F 3 x 1,5mm²




Hinweis: wie funktioniert ein FI-Schalter? Ich kann und möchte hier keine Lehrbuch-Erklärung abgeben, nur eine kurze Funktionsbeschreibung. Ganz Genaues findet sich
z. B. [ HIER ]
Um das kurz zu erklären muss ich nochmal ein paar Jahre zurückgehen. Physikunterricht, 6.?
Klasse, Grundlagen Elektro. Wie war das… Wenn Strom durch einen Ring geleitet wird entsteht ein Magnetfeld. Oder so. Das macht der Strom wenn er zum Verbraucher geleitet wird, wenn er von da zurück kommt hebt sich das Magnetfeld auf. In einem FI-Schalter liegen sich nun zwei Magnetfelder (von Leitungen durchströmte Ringe - hin & rück)
gegenüber und halten einen Fühler quasi in der Mitte. Ändert sich nun plötzlich die Spannung (z. B. durch eine Beschädigung oder plötzliche Ableitung - z. B. über die Hand) gerät dieses
Gleichgewicht aus demselben und die Schaltung unterbricht den Stromfluss. Dies geschieht mit einer affenartigen Geschwindigkeit, die körperliche Schäden erst gar nicht auftreten lässt. Man
bekommt zwar immer noch einen „gewischt“, aber das ist dann eher harmlos.
Wie gesagt, dies ist keine Erkärung für die Elektriker-Prüfung.
Die Anschlüsse am Eingangsstecker von Phase, Schutz- und Nullleiter sind ja vorgegeben. Und so sollte auch die Steckdose am Stellplatz belegt sein. Dann wäre die Elektrowelt in Ordnung. Nur leider ist das so nicht immer gegeben. Weil z. B. auf dem Weg zur Steckdose auf dem CP die Phase und der Nullleiter vertauscht wurden oder weil es dort nur eine Schuko-Steckdose gibt. Dort kann man den Stecker so oder so einstecken. Kann man nix dran machen, umso wichtiger, dass innerhalb des Busses alles ok. ist. Oftmals ist es auch nötig - obwohl aus o. g. Gründen eigentlich nicht erlaubt - eine (Haushalts)Verlängerungsleitung zu benutzen. Tut euch den Gefallen und nehmt nicht die alte Bügeleisenschnur, sondern ein Kabel der o.g. Spezifikation (z. B. Baustellenkabel* mit besonderer Trittfestigkeit) und mit vernünftigen Steckern. Diese Kabel können auch von Fahrzeugen ohne Schäden überfahren werden. Und bitte, wenn es schon auf der Trommel transportiert werden muss, rollt es bei Benutzung komplett von der Rolle ab. Induktionsströme erzeugen Wärme, u. U. zu viel Wärme.
Flexibel müssen sie sein (also keine Reste der letzten Kellerrenovierung) und die Enden müssen mit Aderendhülsen eingefasst sein. Verzinnen ist nicht mehr zulässig. Ob dies jemals kontrolliert
wird?
Zu den Hülsen braucht man dann auch eine entsprechende Crimpzange bis 16mm². 16mm² deshalb, weil die Kabelverbindungen der Batterien untereinander entsprechende Querschnitte haben. Da ich
elektrische Verbindungen nur im privaten Rahmen erstelle, habe ich keine Profizange für > 150,-€ gekauft. Eine Zange für die kleinen Formate habe ich bereits, ich brauche also nur eine Zange
für die 16mm-Hülsen. Für die verhältnismäßig wenigen Hülsen tut es auch ein einfaches Modell. Ich habe mir lieber eine Abisolierzange zugelegt, damit geht das Kabelkonfektionieren wesentlich
flotter.
230v und 12V Leitungen dürfen niemals zusammen in einem Leerrohr/Kabelkanal verlegt werden. Beide Stromkreise müssen unterschiedliche Schalter und Steckdosen verwenden, ebenso dürfen die
Beleuchtungseinheiten nicht verwechselt werden können.
Bei Nutzung eines Spannungswandlers/Wechselrichters von 12V auf 230V muss auch in der dort beginnenden 230V-Leitung ein FI-Schalter + Sicherung platziert sein.
Wir versuchen erst einmal ohne Wandler auszukommen.
Als Sicherung kommen nur Automaten zum Einsatz, die gekoppelt Phase UND Null im Fehlerfall trennen (per Auge erkennbar an 4! Anschlussstellen), also nicht eine Sicherung aus dem Keller
ausbauen.
Wie viele 230V-Verbraucheranschlüsse braucht man? Ich plane mit
- Ladegerät (Sitzbank)
- Steckdosen in Sitzecke, und Küche.
Alle 230V-Kabel müssen in einem separaten Kabelkanal verlegt sein!
Es ist sehr zu empfehlen vor Baubeginn eine Übersicht über die gewünschten Bauteile und Kabelverbindungen zu erstellen. Je genauer, je besser. Kurzfristige Ergänzungen und Änderungen ergeben sich sowieso, aber so lassen sich im Groben schon einmal Kabelmengen und -maße, Kleinbauteile und Schalter und auch die großen Installationen abschätzen.
Der Strom muss fließen
Das E-Zentrum im Kawa-Womo wird vermutlich fast immer unter einer Sitzbank liegen. Dort finden dann Bordbatterien und die anderen Steuerelemente Platz. Die dazu passenden Anzeigen und Schalter
bekommen ihren Ehrenplatz über der Sitzecke. Dort sind sie tagsüber immer zu sehen, nachts stören sie nicht.
Was wird an E-Equipment benötigt?
Nun, das hängt im Großen und Ganzen von dem ab, wie Urlaub gemacht wird, was das Mobil an „Luxus“ beinhalten soll. Wer auch in der Wüste eine Dusche mit Warmwasser, eine Fußbodenheizung und den
Backofen mit Micro-Welle haben will, muss anders planen, als wenn nur ein PortaPotti reicht und immer auf einem Camp-Platz übernachtet wird.
Innerhalb der 12V-Fahrzeugelektrik ist die
Plusleitung im Allgemeinen eine rote Leitung, der Masseanschluss (also die Verbindung zum Minus-Pol der Batterie oder das Kabel zur Karosse) ein schwarzes Kabel. Das Masse-Kabel kann
international auch eine andere Farbe haben, bei der Lüfter-Luke ist es weiß, bei jap. Motorrädern ist das Massekabel (zumindest bei mir) grün. Dies passt eigentlich gut zum grüngelben Massekabel
der 230V-Versorgung. Ich habe daher im Wohnbereich auch Grün als Massefarbe gewählt, da es sich vor dem dunklen Hintergrund der Fahrzeugfarbe deutlich besser abhebt. In der Baubeschreibung wird
dies auch dokumentiert.
Wichtig sind bei allen Installationen die vom Hersteller der betreffenden Geräte vorgeschriebenen Sicherungen einzubauen. Sie machen dies nicht aus Jux und Dollerei.






Um den Leitungswust etwas zu mindern ist die Verteilung auf beide Fahrzeughälften aufgeteilt. So brauche ich zunächst erst einmal nur eine Leitung von der Batterie zur anderen Fahrzeugseite. Der Kühli wird allerdings direkt an die Batterien angeschlossen.
Die Summe der 12V-Verbraucher hält sowieso in Grenzen.
Abgesehen vom (nicht vorhandenen) Wechselrichter sind Heizung und Kühli die größten/stärksten Verbraucher, hier sind die benötigten Kabelquerschnitte vorgegeben oder schon konfektioniert im
Lieferumfang enthalten.
Für die Beleuchtung, den Starter am Herd, die Stufe und die Pumpen reichen 1 mm2. Sollten Anschlüsse gebündet werden - z. B. Massekabel zum Anschluss an die Masseklemme - wäre der Querschnitt
evtl. anzupassen.
Die Nutzung von LED Leuchten ist inzwischen Standard. Halogenlampen habe ich nicht mehr gefunden (und auch nicht nach gesucht). Wer Leuchten im WOMO-Zubehörhandel kauft sollte keine Schwierigkeiten mit der Spannungsfestigkeit der verbauten LEDs haben. Wer seine Beleuchtung individuell baut sollte darauf achten, dass die LEDs auch Spannungen bis gut 15V aushalten, die durchaus beim Ladevorgang auftreten können.
Ich habe bei unkonfektionierten Leuchten "Birnen" und Fassungen des Typs G4 eingebaut. Hier muss bei der Montage und beim Birnenwechsel nicht auf eine Polarität geachtet werden.
Als extrem hilfreich stellen sich für mich die WAGO-Klemmen Typ 222 dar (nicht verwechseln mit den Dosenklemmen). Sie sind extrem Rüttelfest und doch sind die Verbindungen wieder lösbar. Es gibt sie für 2-, 3- und 5- Anschlüsse. Aderendhülsen braucht man dort (lt. Hersteller) nicht, rein gefühlsmäßig würde dies den nötigen Kontakt auch verschlechtern.
Die Befestigung innerhalb der Schränke, könnte mit Nagelschellen passieren, allerdings kann dann ein Kabel auch nicht mehr herausgezogen werden. Ein Leerrohr bietet hier mehr Möglichkeiten. Hinter den Wandverkleidungen erleichtert es den Kabelwechsel. Wo es stört helfen Klebebänder oder das "Verstecken" hinter der Filztapete mit den entsprechenden Nachteilen.
LED-Lampen gibt es in zwei unterschiedlichen Ausführungen:
- Lampen mit explizit ausgewiesenen Plus- und Minus-Leitungen
- Lampen ohne Angaben der Polung.
Was ist daran der Unterschied?
Lampen mit +/- Verkabelung brauchen zwingend auch den Massekontakt, Lampen ohne diese Notwendigkeit werden einfach in die Plus-Leitung eingebaut, wie man es von der Normalen Hausverkabelung
kennt. Die beiden Varianten benötigen also eine unterschiedliche Verkabelung. Ähnlich ist es bei den von mir benutzen Schaltern mit Funktionsleuchte, die Schalter funktionieren an jedem Kabel
vorzüglich, für die Kontrollleuchte wird aber ein Masseanschluss benötigt.
In den Hängeschränken sind Kontaktschalter eingebaut, die bei Öffnen das Licht anmachen. Sie funktionieren auch als Wechselschalter, so dass man durch die Betätigung des Schlters auch einen Strom unterbrechen könnte.


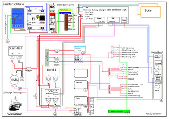
Einbau des Votronic Batterie Charger VBCS Triple im Zusammenhang mit einem Votronic Batterie Computer
Die Grund-Verkabelung ist nicht wirklich schwierig, es sind erst einmal „nur“ vier Kabel, alle weiteren dienen der Kontrolle per optionalem Votronic LCD Control S -Screens und möglichen
12V-Kontrollleuchten für anliegendem 230V-Anschluss und Batterie-Voll-Anzeige. Da kann eigentlich nix schief gehen. Denkt man.
Entscheidet man sich für einen Batteriecomputer wird dieser zwischen dem Minus-Pol der Bord-Batterie und der Masse-Verbindung zur Karosse geschaltet. Die Messstelle befindet sich auf einem s.g.
Shunt. Zwischen Batterie und dem Shunt darf sich kein Verbraucheranschluss befinden, da sonst das Messergebnis verfälscht wird. Lediglich der Anschluss für den Votronic LCD Control S -Screen ist
dort erlaubt.



Bleibt als letzte Notlösung noch der Einbau eines Notaus-Schalters. Er dient dazu mit einem "Klick" das Wohnmobil stromlos zu machen. Dies kann sowohl durch Unterbrechung der +-Leitung aber auch durch Unterbrechung der --Leitung geschehen. Ich würde es vom Aufwand der dazu benötigten Verkabelung abhängig machen.